• 新闻资讯
星三角接触器选型
2022/08/30

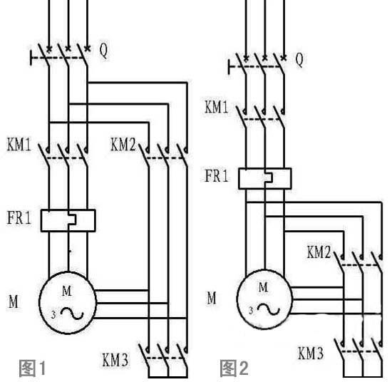
星三角启动选用什么样的接触器得先看采用什么样的星三角启动接线,如图1所示星三角启动接线图,那么就可以使用规格小一些的接触器,为什么呢?因为三个接触器都分摊了电流,星形启动时启动电流只有0.58倍的额定电压,所以启动电流相比直接启动要小得多,也就可以不用很大规格的接触器。转换后两个在工作的接触器也只承受0.58倍的电流,所以这种接法选择小规格的接触器也没问题。

图片11.jpg

 

  通常情况下都会建议买1.5倍额定电流的接触器,但是呢,不同品牌的接触器,不同价格的接触器它们的质量是千差万别的。众所周知,接触器里面的触点一般都是银点,可是呢不同的价格也就有不同的触点,而这些触点质量的好坏则关系着接触器的使用寿命,也关系着我们对星三角启动接触器的选型。

  简单点说就是贵一点的接触器规格可以选小一点,便宜的接触器则规格尽量选大一点。

  图2中的接法相信大多数人都是这么接的,所以一般KM1的规格都会选择大一点,另外两个小的则用小一规格的。它和图1的区别是电机所有的电流都经过KM1主接触器,所以这里无法像图1一样主接触器选择规格小一些的接触器。

以下是星三角启动的接触器选型参考:

选型.png


上一条: None